brand logo

분광측색계

 

분광측색계

EasyMatch OL

EasyMatch OL

SpectraTrend HT (In-Line) 품질관리 소프트웨어

GET A QUOTE Product list

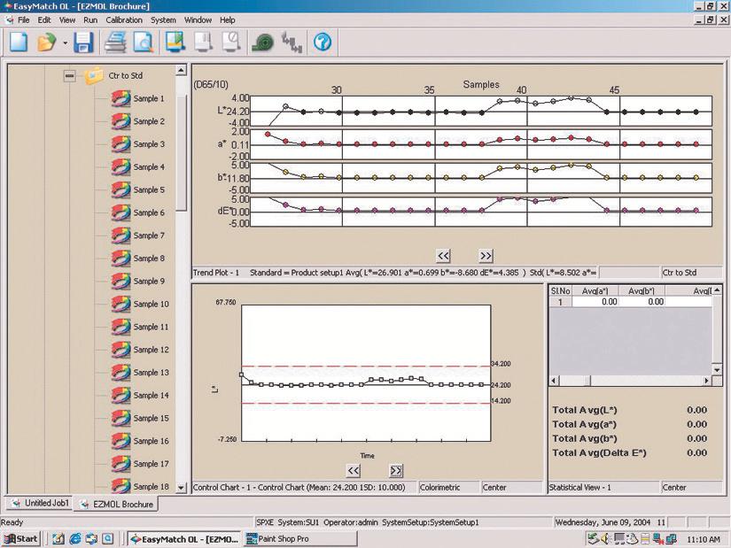
지속적인 온라인 색상 측정을 위한 실시간 소프트웨어

EasyMatch OL 소프트웨어는 SpectraTrend HT로 측정한 데이터를 PC에서 제어 및 관리하기 위해 제공됩니다. 
 
네트워크 기능을 사용하면 하나의 서버 컴퓨터를 사용하여 최대 4개의 HunterLab 인라인 분광측색계 센서를 작동시키고 여러 클라이언트 컴퓨터를 사용하여 서버를 통해 센서와 통신할 수 있습니다. 
 
제품에 필요한 모든 표준, 측정, 설정 등을 단일 작업파일안에 저장할 수 있습니다. 
사용자가 구성한 화면을 템플릿으로 저장하면 나중에 쉽게 새 작업을 생성할 수 있습니다. EasyMatch OL은 HunterLab 온라인 분광측색계에서 색상데이터를 수집, 표시 및 분석할 수 있는 높은 호환성의 소프트웨어 입니다. 
 
● 네트워킹 서버/클라이언트 기능
● 7가지로 멀티구성 가능한 데이터 표시 화면
● 데이터를 쉽게 목록화, 검색 및 이메일 전송
● 사용자 지정 접근 권한 설정
● 간편한 데이터 쿼리를 위한 Access또는 SQL 데이터베이스 스토리지
● 내장된 통계 프로세스 제어 기능
 
관련 이미지

 
회사명
담당자
일반전화 - -
휴대전화 -
이메일 @
제목
내용
첨부파일
수집하는 개인정보 항목
제6조(처리하는 개인정보의 항목)

회사는 다음의 개인정보 항목을 처리하고 있습니다.
1. 임직원에 대한 인사 노무 관리
- 성명, 성별, 주민등록번호, 연락처, 주소, 가족사항, 결혼여부, 병역사항, 학력사항, 경력사항, 자격/면허사항, 외국어, 해외연수, 이메일주소, 계좌번호
동의합니다.
개인정보의 수집 및 이용목적
제6조(처리하는 개인정보의 항목)

회사는 다음의 개인정보 항목을 처리하고 있습니다.
1. 임직원에 대한 인사 노무 관리
- 성명, 성별, 주민등록번호, 연락처, 주소, 가족사항, 결혼여부, 병역사항, 학력사항, 경력사항, 자격/면허사항, 외국어, 해외연수, 이메일주소, 계좌번호
동의합니다.
개인정보의 보유 및 이용기간
제6조(처리하는 개인정보의 항목)

회사는 다음의 개인정보 항목을 처리하고 있습니다.
1. 임직원에 대한 인사 노무 관리
- 성명, 성별, 주민등록번호, 연락처, 주소, 가족사항, 결혼여부, 병역사항, 학력사항, 경력사항, 자격/면허사항, 외국어, 해외연수, 이메일주소, 계좌번호
동의합니다.